中文
首页
磁流体密封
实心轴
空心轴
多轴类
高压类
磁耦合密封
维修翻新
技术中心
编码规则
磁流体密封
磁耦合密封
关于我们
公司介绍
联系我们
销售咨询
技术服务
其它问题
首页
磁耦合密封
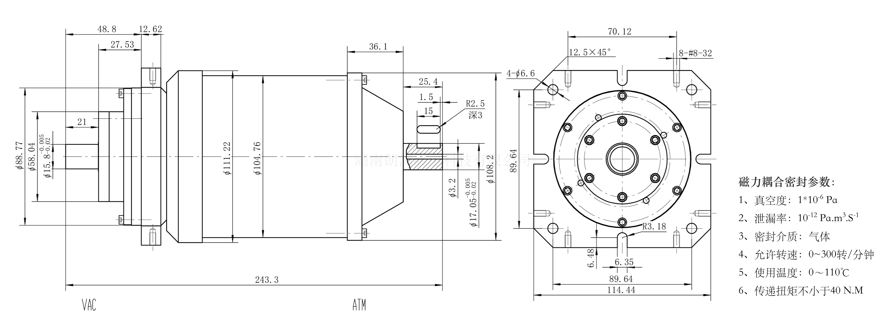
磁力耦合密封
型号:EH251-000
应于在高真空环境,传输扭矩24N.m。
磁力耦合密封为法兰式连接。轴的两端,一端轴连接大气端驱动单元,一端轴连接真空腔内机构,保持传递扭矩且真空密封。
返回列表
详细参数表
磁流体密封
实心轴
空心轴
多轴类
高压类
磁耦合密封
维修翻新
技术中心
编码规则
磁流体密封
磁耦合密封
关于我们
公司介绍
联系我们
销售咨询
技术服务
其它问题
法律声明
隐私保护
ISO9001
Copyright © 2024 Loongrise All Rights Reserved.湖南朗润磁电科技有限公司版权所有 |
湘ICP备15016670号-1
13469007688
在线客服